
Описание
С широким применением электронного медицинского оборудования в больничной сфере ток утечки представляет все большую угрозу для пациентов, особенно в тех местах, где на карту поставлена жизнь. Во время операции или под анестезией различные электроды и датчики вводятся непосредственно в тело человека, и небольшой ток утечки может привести к несчастным случаям. Медицинский изолированный монитор питания — это продукт, используемый в медицинских ИТ-системах для контроля состояния изоляции ИТ-систем от земли до земли. Когда в системе возникает неисправность изоляции, может быть своевременно подан сигнал тревоги, чтобы напомнить персоналу о необходимости устранения неисправности в соответствии с реальной ситуацией.

Централизованное устройство сигнализации и отображения AID150 использует жидкокристаллический ЖК-дисплей и обеспечивает обмен данными с медицинским интеллектуальным устройством контроля изоляции серии AIM-M300 через интерфейс связи RS485, который может в режиме реального времени отслеживать многоканальные данные медицинского интеллектуального мониторинга изоляции серии AIM-M300. устройство.
1
Многоконтурный мониторинг
Макс. 16 ИТ-систем
2
Значения удаленных настроек
Сигнал сопротивления / тока нагрузки / трансформатора
3
Централизованная сигнализация
Звуковые и визуальные сигналы тревоги
4
Регистрация событий
Asave максимум 20 последних записей.
Параметр
| Продукт | Медицинский изолированный монитор мощности |
Вспомогательная мощность | 24 В постоянного тока |
Потребление | Меньше или равно 0,6 Вт |
Диапазон сигнализации изоляции | 50...999kΩ |
Текущий диапазон сигналов тревоги | 14A,18A,22A,28A,35A,45A |
Диапазон аварийного сигнала температуры | 0... плюс 200 градусов |
Режим будильника | Звуковая и визуальная сигнализация |
Тип тревоги | Нарушение изоляции, перегрузка, перегрев, неисправность устройства |
Коммуникация | RS485, MODBUS-RTU |
Режим отображения | ЖК-дисплей, массив точек 128*64 |
![]() | ● Мониторинг данных в режиме реального времени и сигнализация по полевой шине ● Удаленная настройка параметров ● Акустическая сигнализация с функцией |
| Размер(Д*Ш*В) 63*87*172 мм Монтаж Встроенная стена Коммуникация РС485 | ![]() |
Функция
Функции
1. Медицинский изолированный монитор мощности имеет богатый дисплей и функции индикации сигналов тревоги, дружественный интерфейс и удобное управление.
2. Он может измерять и отображать ток нагрузки трансформатора в режиме реального времени.
3. Звуковая и световая сигнализация может помочь людям быстрее узнать и вовремя предотвратить несчастные случаи.
4. ЖК-дисплей может четко отображать различные данные.

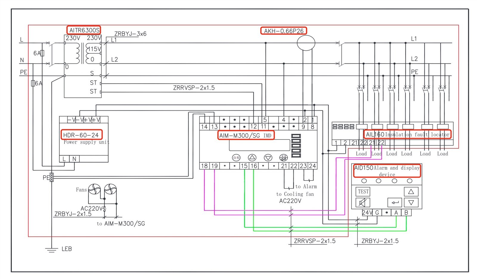
Решение Acrel IT System из 6 компонентов для отделений интенсивной терапии и операционных
С использованием:
1) Медицинский изолирующий трансформатор серии AITR
2) медицинское интеллектуальное устройство контроля изоляции AIM-M300 (или AIM-M300/SG);
3) трансформатор тока АХ-0.66П26;
4) AIL150-4/AIL150-8 /AIL160-6 определитель места повреждения изоляции;
5) модуль питания HDR-60-24;
6) Централизованное устройство сигнализации и отображения AID150

Цитата

горячая этикетка : медицинский изолированный монитор мощности, Китай медицинские изолированные мониторы питания производители, поставщики, завод


















