Овервиве
Электрические передатчики серии BD представляют собой устройство, которое может изолировать и передавать электрические параметры, такие как ток, напряжение, частота, мощность, коэффициент мощности, в линейный аналоговый сигнал постоянного тока или цифровой сигнал. Он соответствует требованиям Национального стандарта GB/T13850-1998, IEC-688.
Функция
БД-АИ БД-АВ | БД-Ф | БД-ПФ | БД-3И3 БД-3(4)В3 | БД-3(4)П БД-3(4)К | БД-3(4)Э | |||
Фаза и проводка | 1П2Вт | √ | √ | √ | √ | √ | √ | |
3П3Вт | — | — | √ | √ | √ | √ | ||
3П4ВТ | — | — | √ | √ | √ | √ | ||
Ввод | Напряжение | Напряжение | До 480 В переменного тока | |||||
Прямой L-N | До 276 В переменного тока | |||||||
С внешним PT | √ | √ | √ | √ | √ | √ | ||
Текущий | Прямой | До 5 А переменного тока | ||||||
С внешней КТ | √ | √ | √ | √ | √ | √ | ||
Выпуск | Нормальное значение | DC: 4-20 мА, 0-20 мА, 0-5 В, 0-10 В, так далее | ||||||
Сопротивление нагрузке | Выходной ток≤600Ω Выходное напряжение≥1000Ω | |||||||
Ripple Контент | <0.5% peak="">0.5%> | |||||||
Мерный | Напряжение | □ | — | — | □ | |||
Текущий | □ | — | — | □ | □ | □ | ||
Активная/реактивная мощность | — | — | — | — | □ | □ | ||
Кажущаяся сила | — | — | — | — | □ | □ | ||
Коэффициент мощности | — | — | √ | — | □ | □ | ||
Частота | √ | □ | □ | |||||
Учет электроэнергии | ±КВт-ч | — | — | — | — | — | √ | |
Класс точности | 0.5% | |||||||
Коммуникация | Интерфейс: RS485 Протокол: Modbus-RTU | □ | □ | — | □ | □ | □ | |
Аналоговый выход | DC 0-5В,0-10В,0-20мА,4-20мА | |||||||
Импульсный выход | ||||||||
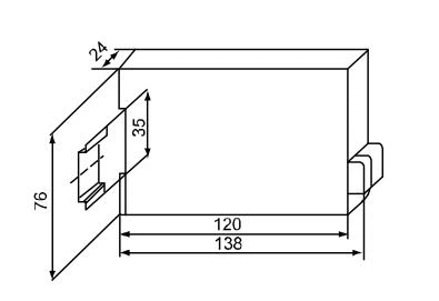
Размеры (мм) | Корпус (WXHXD) | 138Х76Х24 | 119Х75Х55 | 119Х75Х55 | 112Х110Х75 | 112Х110Х75 | 112Х10Х75 | |
Вспомогательная мощность | 85-265 В AC / DC, DC24V, DC48V | |||||||
Температура | Операция | от -10 до 55°C | ||||||
Хранение | от -25 до 70°C | |||||||
Влажность | До 95%, без конденсации | |||||||
Установка | (Железнодорожный) DIN35 крепление на кабине с винтами | |||||||
Стандарты | ГБ/Т 13850 | |||||||
'√': Да '—' Нет '□' Необязательно
![]() | Преобразователь электроэнергии серии BD-3P ●Напряжение\Ток\Мощность\Коэффициент мощности\Частота ● Перегрузка: 1,2 раза от номинального значения ● Аналоговый выход DC 0-5V / 0-10V / 0-20mA / 4-20mA |
Трехфазный преобразователь тока серии BD-3I3 ● Применение: промышленная автоматизация ● Вход: измерение переменного тока до 200 А ● Перегрузка: 1,2 раза от номинального значения ● ● Выход: DC 0-5V | ![]() |
Внешность
![]B}`DZQCUKH(QN_S`]T)Q4J](/Content/uploads/2021805736/20210806140132bc470dfde7984c6ca34d81373eecbad9.png)
Измерение

(Д*Ш*В: 138*24/76)
Установка

AC 85 ~ 265V DC 100 ~ 350V Вспомогательный источник питания Вход-выход RS485 Связь
Цитата

горячая этикетка : однофазный преобразователь тока










